当前位置: 首页 > 工程展示 > 安全技术服务 > 正文

东平县高沟矿区建筑石料用灰岩矿建设项目

2021-11-29 16:37:43

评价业务信息:

2.jpg


合同封皮:

1.合同封皮.jpg


合同盖章页:

2.合同盖章页.jpg


报告封皮:

3.报告封皮.jpg


报告扉页:

4.报告扉页.jpg


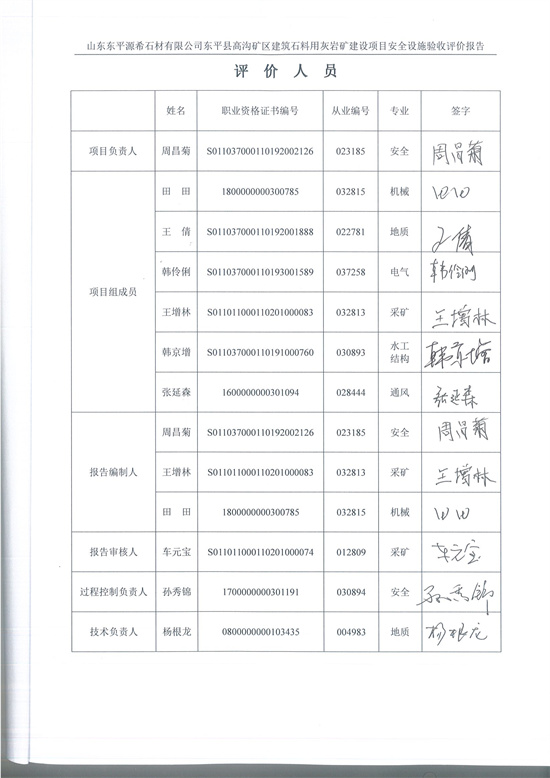
报告签名页:

5.报告签名页.jpg


报告结论页:

6.报告结论页.jpg


项目标志建筑:

7.项目标志物-终了边坡.jpg

终了边坡


评价师照片:

8.评价师现场照片1.jpg


9.评价师现场照片2.jpg


10评价师现场照片3.jpg


11.评价师现场照片4.jpg


12评价师现场照片5.jpg


13.评价师现场照片6.jpg


14.评价师现场照片7.jpg









上一条:济南澳飞交通物流有限公司平阴县青龙山Ⅳ矿区建筑石料用灰岩矿安全现状评价 下一条:东平县高沟矿区建筑石料用灰岩矿安全预评价报告